
CRS-300 1:10 Redundancy Switch Revision 16
Cable Drawings MN/CRS300.IOM
A-28
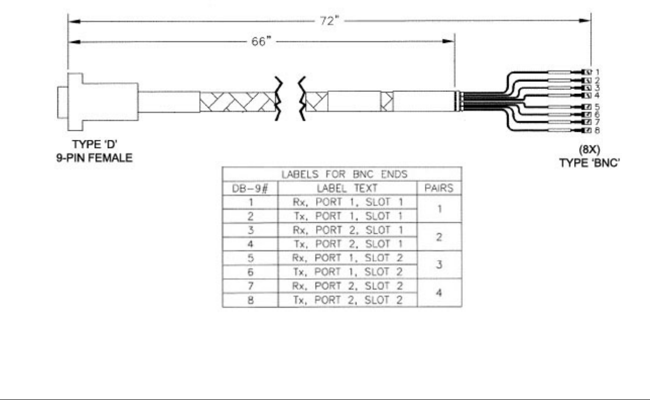
A.4.12 G.703 Data Cable for CDM-700
Figure A-24 shows the cable used to connect the CRS-345 Switch TMI to the Traffic CDM-700 G.703 Interface cards. Depending on the
modem configuration, a modified version of this cable that employs only four of the eight BNC connectors is used. See
Chapter 4.7
CDM-700 Modem Connections
for illustrations of this alternate use.
Figure A-24. CDM-700 G.703 Data Cable (CA/RF12278-1)
Kommentare zu diesen Handbüchern